October 24, 2015 Diabetes drug won't help obese kids keep off weight Few children who become obese are able to lose and keep off weight with diet and exercise alone, leading some doctors to prescribe drugs, such as the diabetes drug metformin, to treat childhood obesity.
October 24, 2015 Acetaminophen appears to dull pleasure, not just pain, study finds Acetaminophen, the pain-relieving ingredient found in Tylenol, Midol, and more than 600 medicines in the United States, can relieve not only pain but pleasure too, a new study suggests.
October 24, 2015 FDA approves Boehringer drug to treat advanced lung cancer The U.S. Food and Drug Administration approved a lung cancer drug made by Boehringer Ingelheim to treat patients who are suffering from late stage non-small cell lung cancer and whose tumors express a specific type of gene mutation.
October 24, 2015 Sleep drug helps car crash victim to talk again A 43-year-old car-crash victim in Italy who fell into a "minimally conscious state" to the point where he could no longer speak suddenly started chatting again after receiving a sedative, LiveScience reports.
October 23, 2015 Early promise for malaria vaccine that mimics bug bites A new kind of malaria vaccine that mimics the effects of mosquito bites has shown early promise by offering 100 percent protection to a dozen human volunteers, researchers said Thursday.
October 23, 2015 Speak up: How to protect yourself from infection at the hospital A new report estimates hospital-acquired infections cost the American health care system $9.8 billion each year and cause 99,000 deaths. So how can you protect yourself?
October 23, 2015 New drug, study method show breast cancer promise A novel way to speed the testing of cancer drugs and quickly separate winners from duds has yielded its first big result: an experimental medicine that shows promise against a hard-to-treat form of breast cancer.
October 23, 2015 How celebrity drug endorsements can harm public health Earlier this month, Kim Kardashian West posted an unexpected drug endorsement to her Instagram account that initiated a title wave of reaction among federal regulators and health practitioners:
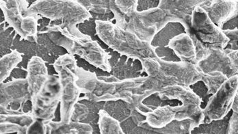
October 23, 2015 Overuse of nursing home antibiotics may put all residents at risk Some nursing home facilities prescribe antibiotics more often than others, which is tied to increased health risks, even for residents who don’t receive the medications, according to a new study.